Наблюдение: - Если вы хотите достичь цели, не старайтесь быть деликатным или умным. Пользуйтесь грубыми приемами. Бейте по цели сразу. Вернитесь и ударьте снова. Затем ударьте еще, сильнейшим ударом сплеча

 

Описание схемы и  работы программы тестирования MAX485 

 

 

Адрес описания и документации:

http://90.189.213.191:4422/temp/uart_max485_test_v1/                     инд. 1-140-2

Скачать программу:

http://90.189.213.191:4422/temp/uart_max485_test_v1/test/

Журнал СОЭЛ 2026-1-42

http://90.189.213.191:4422/temp/uart_max485_test_v1/soel_2026_1_42_max485/   инд. 1-140-2-1

 

Содержание:

 

 

 Назначение

·         Программа и схемы предназначены для тестирования микросхемы max485

·         Программа  предназначена для отладки схем и взаимодействия с датчиками. После отладки модули и схемы интегрируются в данную программу и доступны в данном описании;

·         Получаемые результаты (тексты, модули, схемы сопряжения) предназначены для  других программ в тематике измерений.

·         Внимание! Пояснения и помощь к программе (т.е. данный файл) составляется по методике «что сделал, то и описал»» (ударение на букву =а=, а не =и=).

 

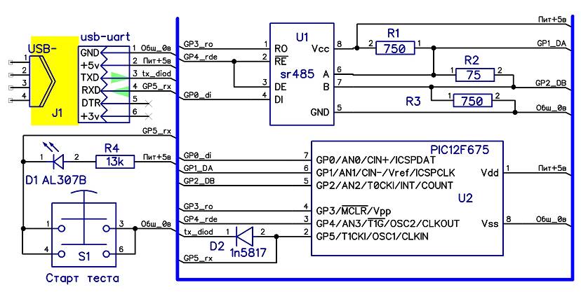
Схема тестера на мк 12f675

 

 

 

 

Первый старт

Программа при первом старте выдает в режиме консоли «проблему выбора» и окно «часиков». На выбор решения всего одна минута, надо нажать клавишу 1-4.

 

 

Восстановление всей информации из программы и компиляция новой программы

Программа содержит все компоненты, для своего дальнейшего развития. Если выбрать 3-й пункт, то сформируется каталог  test_monsys_exe, в котором находятся все файлы необходимые для дальнейшего развития:

·         файлы текстов на языке FORTH и так же простые файлы txt, если они требуются по теме пояснений;

·         файлы описания в формате word или html;

·         архивы с файлами схем. Можно и без архивов, но для понимания тематики удобнее объединять схемы и пояснения в  одном архиве;

·         файл языка программирования FORTH 100_spf4.exe  Цифра 100 означает, что данный компилятор языка может формировать файлы до 100мб.  Автор Черезов Андрей дает только до 4х мб, поэтому его компилятор и называется spf4.exe  Шутка. На самом деле это версия четыре. Все версии смотрите на сайте forth.org.ru  Андрею Черезову еще раз привет, успехов и здоровья в 2022 году!

 

Далее Вы исправляете требуемые файлы, компилируете и получаете новый файл в формате exe. Он будет иметь другие размеры и контрольные суммы. Это позволит достаточно просто определить авторство и принадлежность источника и создателя.

Выполните файл start_new_versii.cmd  для компиляции и формирования файла.

Метод и способ, достоинства и недостатки представлены  в электронной публикации

 

 

Консольный режим – особенности в Win10 и «влияние мышки»

·         Влияние систем переходит и на такой «архаичный» вид отображения, как консоль или терминал.

·         Консоль  вызывается командой «CMD» и появилась это «штука» еще во времена DOS, RT11 и наверное сама =идея= ранее.

·         В 2016 году добавили в консоль и управление мышкой для Windows-10.

·         Надо «удалить№ галочку, которая управляет этим режимом. 

·         При работе программы,  галочка в выделении «мышью», не позволяет управлять кнопками «мыши» при наведении на «значащие» места.

·         В этом случае сохраняется  режим управления кнопками клавиатуры. Например, если  нажать кнопку 1, то сформируются необходимые файлы для работы программы.

 

 

Лицензионность, правообладание и использование

 

·         Программа поставляется =как есть=. Все риски связанные с ее использованием  и возможными последствиями несут лица ее выполняющие;

·         Программа подготовлена на языке Forth.  В программе при старте проводится проверка на правильность контрольных сумм и в случае изменения даже на один бит,  выдается предупреждение о ВОЗМОЖНЫХ МОДИФИКАЦИЯХ

·         В программе предусмотрена проверка на УНИКАЛЬНОСТЬ ИМЕНИ. Другое имя   программы не допускается. 

·         Автор оставляет за собой право на модификацию и изменения программы;

·         Автор может ответить на вопросы по программе только в случае соответствия    даты, контрольной суммы, размера и названия файла и при наличии свободного   времени. 

 

 

  Автор: Шабронов Андрей Анатольевич тс.+7-913-905-8839  shabronov@yandex.ru    

               Успехов и здоровья!   г. Новосибирск

 

Ред. 2026-03-26  (подготовлена печатная плата)