| Name | Last modified | Size | Description | |
|---|---|---|---|---|
| Parent Directory | - | |||
| shem_db106m_v1.dip | 2023-12-06 22:38 | 40K | ||
| shem_db106m_v1.dch | 2023-12-01 23:07 | 545K | ||
| протокол_кодов_uart_и2с_hc711.JPG | 2023-12-01 22:40 | 368K | ||
| протокол_кодов_uart_и2с_hc711.spl7 | 2023-12-01 22:39 | 12K | ||
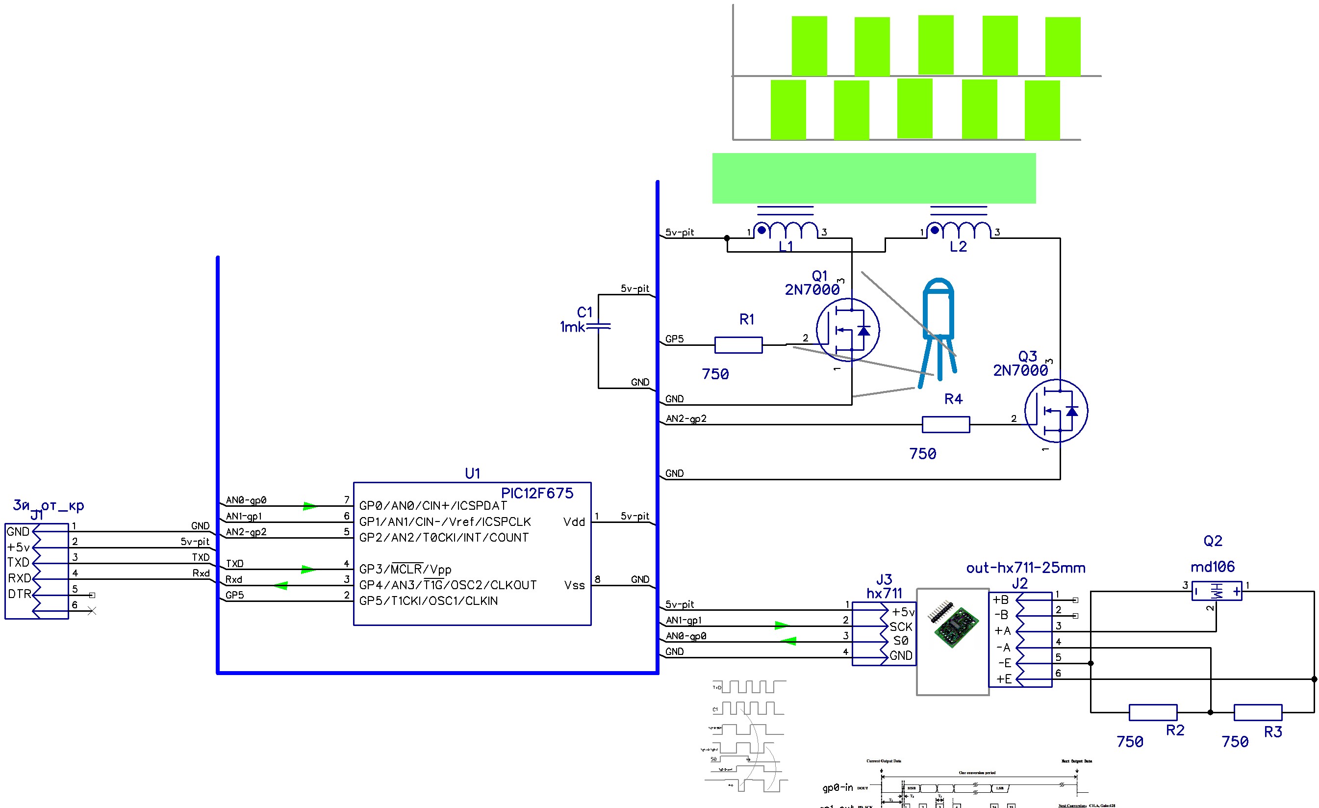
| shema_c_hc711_1k.jpg | 2023-11-26 19:54 | 339K | ||
| vid_hc711_k1.jpg | 2023-11-26 16:47 | 54K | ||
| hx711_english.pdf | 2023-11-26 16:46 | 160K | ||
| prokol_hc711_k1.jpg | 2023-11-26 16:46 | 101K | ||
| shema_c_hc711_1k.png | 2023-11-26 09:47 | 63K | ||
| 1208ud.jpg | 2023-11-19 21:47 | 39K | ||
| мп_так_не_пойдет_меахника.jpg | 2023-11-17 08:48 | 2.7M | ||
| датчики холла и магниторезисторы.автор кобус а.djvu | 2020-03-09 22:53 | 3.9M | ||
| тенозметрический_метод_измерения_деформации.pdf | 2019-12-27 17:43 | 1.9M | ||
| импульсная_тензометрия.djvu | 2019-12-26 10:41 | 2.4M | ||
| dm_106w_datasheet.pdf | 2019-10-10 10:08 | 101K | ||
| [Kotenko_G.I.]_Magnitorezistorue(BookFi).djvu | 2019-09-23 10:08 | 1.1M | ||