| Name | Last modified | Size | Description | |
|---|---|---|---|---|
| Parent Directory | - | |||
| тестер_на_печатной_плате_автономный_фото/ | 2026-03-26 11:15 | - | ||
| тестер_в_монтаж_коробке.mp4 | 2025-08-19 19:25 | 7.5M | ||
| тестир_на_плате.mp4 | 2025-08-19 19:23 | 8.0M | ||
| тестер_в_монтаж_коробке.jpg | 2025-08-18 18:16 | 4.0M | ||
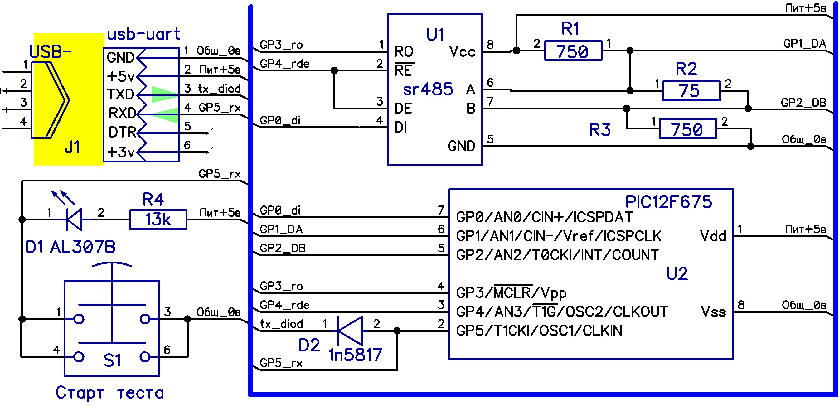
| shema1.jpg | 2025-08-16 19:01 | 482K | ||