Загадка : Ни зверь, ни птица, а нос как спица (рамок)
|
Адрес документа: |
http://90.189.213.191:4422/temp/12f629_5mc_out/60s_chasam_v1/60s_chasam_v1.zip инд: 2-136-5-1 |
|
Каталог программы на Т=60с |
http://90.189.213.191:4422/temp/12f629_5mc_out/60s_chasam_v1/test/ инд: 2-136-5-2 |
Содержание:
Назначение:
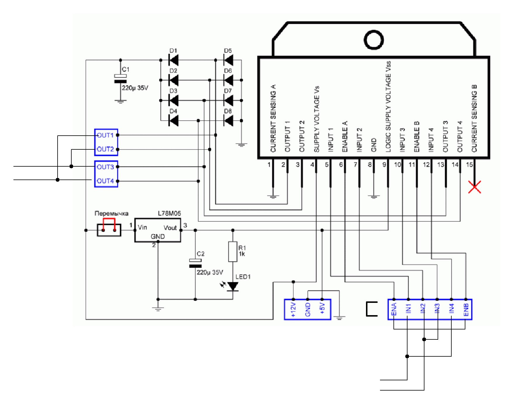
Схема первичных часов:
Внешний вид;

Видео общего плана установки(кликабельно и с музыкой) и другие адреса с более подробном назначении элементов схемы.
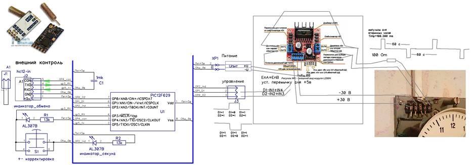
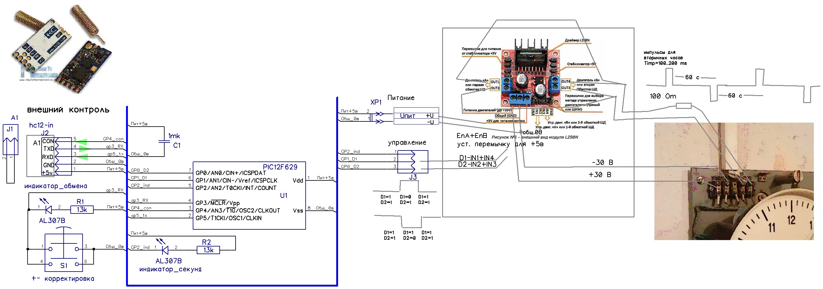
Схема на микроконтроллере 12F629, блоках L298N и HC12
Схема на МК 12F629 представлена ниже на рисунке (кликабельно)
Работой модуля управляет по линиям GP0-D2 и GP1-D1 МК 12F629. Разные логические уровни формируют разное выходное напряжение и таким образом формируется импульс для вторичных часов. Формируется импульс длительностью от 100 до 200 мс, который и вызывает передвижение стрелки вторичных часов. Необходимо, что бы импульсы были последовательно «разнополярные». Такой режим предусматривается в счетчике на МК. В МК программно работает счетчик на период в 1 секунду и другой счетчик на 60 формирует импульсы для вторичных часов.
Для устойчивой связи рекомендуется предварительно оценить помещение и возможности распространения сигналов данных модулей. Примерная оценка «пробиваемости» составляет для данного объекта
- часы первичные и вторичные и блок HC12 расположен в цокольном этаже здания
- второй блок HC12 расположен на 3-ем этаже в кабинете. Здание имеет достаточно много железо-бетонных встроенных конструкций. План сооружения представлен ниже.
Общий метод, найти в помещении зону уверенного приема +- 2-3 метра включив режим «чтения данных временных констант» в программе обмена. Необходимо, так же учитывать и сильное экранирование больших металлических предметов в помещениях. Например, сейфы, холодильники, различные стенды или стелажи с использованием металлических листов.
Как видно из схемы, мк управляется по сигналам HC12, а так же работает самостоятельно, выдавая требуемые сигналы. Внешний HC12 «обращается» по радиоканалу и передает пакет данных. МК «отвлекается» на прием пакета, обрабатывает данные, и по этим данным меняет «время задающие» константы. Таким образом, при работе с HC12 происходит «замедление» часов, что надо учитывать при настройках.
Предусмотренно 2-е константы:
· Первая константа задает время импульса напряжения минут для вторичных часов – N1. Имеет разрядность в 1 байт, и позволяет менять длительность импульса N1*4миллисекунды, т.е. от 4… 1000милисекунд (1 секунда);
· Вторая константа задает время счетчика одной секунды, и имеет разрядной в три байта N_TM, N_TH, N_TL ( соответственно старший, средний и младший байты). Для данной схемы установлено значение секундного интервала 0x3 0xA9 0x67 ( старшй средний и младший байт). Разрядность одно бита соответствует примерно 4..5 микросекунд коррекции интервала секунды.
· Выставлено время чуть меньше 1 секунды, для учета времени передачи импульса «напряжения» минут. Таким образом можно выставить интервал до погрешности 4 микросекунды на сутки. Однако, надо учитывать и погрешность температуры и колебания напряжения.
· Мк имеют разброс внутреннего тактового RC-генератора, что означает разные константы для разных используемых МК в работе часов. Например, для одного МК константа 3,A9,67, а для другого МК константа 3,B7,12 сформируют точный суточный ход. Следовательно, при смене МК потребуется корректировка суточного хода.
· Кроме того, по данным АТ-команд от HC12 на скорости V=1200 бит в секунду, подсчитывается тактовый интервал Т0, который считается эталонными, и от него формируются все необходимые тактовые интервалы, определяющие протокол обмена с HC12. Расчет тактового интервала выполняется при первом запуске МК в работу, и полученное значение записывается в ПЗУ МК. Такой подход позволяет отказаться от кварцевой стабилизации МК и использовать «кварцевую» точность блока HC12.
В схеме предусмотрена кнопка «коррекции» и «теста» S1. Эта кнопка подключена параллельно выхода TxD HC12, и так же создает напряжение логического нуля для входа МК GP3. Нажатие кнопки всегда значительно дольше, передаваемых байт блока на скорости 1200 бод, что определяется программой как нажатие. При определении нажатия формируется сигнал «импульса минут», что позволяет вести корректировку вторичных часов.
Дополнительно, передается на модуль HC12 и далее на второй модуль HC12 пакет данных о заданных временных константах.
Таким образом, можно проверить работу МК и как формирователь «импульсов минут» и на наличие связи с внешним ПК.
Работа счетчика секунд индицируется светодиодом индикатора секунд. Одну секунду он включен, вторую выключен. Светодиод индикатора обмена мигает при получении пакета данных, и так же включается при нажатии кнопки теста S1.
Первичные часы, собраны на подложке из двух CD-дисков с использованием монтажной платы под пайку размером 60*50 мм. Показан внешний вид c пояснениями по установочным элементам, ниже на фото.
Модуль HC12 устанавливается на переходных штыревых разъемах, что позволяет быстро проверить, перепрограммировать или заменить данное изделие. Ниже на рисунке показаны в другом ракурсе модуль HC12 и линия управления D0 D1 для модуля L298N.
На модуле L298N на выходных разъемах припаяны перемычки: ENA+ENB IN1+IN4 IN2+IN3. На фото ниже виден фрагмент только ENA+ENB.
Возможно использовать любые варианты монтажной печатной отладочной платы. Для крепления плат и модулей использовались полиэтиленовые втулки.
Размещена вся конструкция выше первичных часов на подводящем кабель канале, как показано ниже на фото и видео-фрагменте.
Модуль HC12 у ПК также размещен в кабель канале 15*20*250 и подключается к ПК через разъем USB.
Программное обеспечение подготовлено на языке Forht [8], находится в одном файле s60hc12v1.exe и содержит все составляющие для ее развития или текущей работы. Первоначальный запуск программы вызовет стартовое меню, на котором необходимо выбрать требуемый режим работы и для этого нажать цифровые клавиши на выбор из четырех: 1- восстановить ини-файл s60hc12v1.ini, 2- открыть файл помощи, 3- восстановить всю информацию для дальнейшей модернизации, 4- восстановить и скомпилировать новую программу. Цифра 5 – позволяет успокоиться, когда ничего не понимаешь в тексте и открыть игру «консольный тетрис».
Запуск программы в каталоге с наличием файла инициализации выполняется по опциям данного файла. Это текстовый файл и он доступен для редактирования. Программа подготовлена для первичных часов на основании выше приведенной схемы. Первично начинает работать окно консоли и далее выбираются режимы работы.
Перечислим последовательность включения режимов:

При нажатии цифровой клавиши =2= открывается окно управления первичными часами

При нажатии цифровой клавиши =1= откроется окно настройки USB-UART-HC12 для работы с первичными часами.
Нажать клавишу =e= для записи режима HC12. Для проверки установленного режима нажать клавишу =r=.
Другие режимы этого окна выполняют различные тестовые и контрольные проверки других изделий автора с использованием модуля HC12

В ПК подключается адаптер USB-UART который управляет модулем HC12. Cхема подключения может использоваться любая, Важно иметь доступ к АT-командам модуля HC12. Ниже на рисунке приведена структурная схема связи с первичными часами
Вариант схемы представлен ниже на рисунке. Необходимо отметить, что для полноценной настройки HC12 требуется сигнал SET, который можно подключить к выводу CTS.
Если все условия связи и настроек модулей HC12 у ПК выполнены, то требуется открыть окно =2= и установить необходимые константы в первичных часах:
В каталоге forth_assmb_pik12 находятся файлы на языке forth-ассемблер программы работы МК. При компиляции общей программы они также компилируются и формируют в каталоге s60hc12_12f629_v1 файлы HEХ-кодов для записи в МК. Файлы для МК имеют расширение hex и записываются в МК любым доступным программатором.
Работа с МК построена на структуре AT-команд. Например, для получения пакета данных передаем код из 23 байт:
«AT»(2 байта), x41, x10 , 0x0 *7 ( адресация), «С» ( байт кода запроса данных ), 0x0*9 ( данные ), «Кs» ( байт контрольной суммы)
В ответ получаем тот же формат в 23 байта, где в поле данных находятся байты констант времени.
Другие команды АТ подробно приведены в файле s60hc12_12f629_v1.f так, что доступно программировать и на других языках при обращении к МК.
Скорость обращения к МК выбрана в 1200 кбод в стандарте 8N1.
Подробности изучения языка программирования выходят за рамки данного изложения, но доступны для самостоятельного изучения. Справочник по командам и литературе приведен в файле spf_help.chm в каталоге dop_files
Выводы и авторские права;
· Программа поставляется =как есть=. Все риски связанные с ее использованием и возможными последствиями несут лица ее выполняющие;
· Программа подготовлена на языке Forth. В программе при старте проводится проверка на правильность контрольных сумм и в случае изменения даже на один бит, выдается предупреждение о ВОЗМОЖНЫХ МОДИФИКАЦИЯХ
· В программе предусмотрена проверка на УНИКАЛЬНОСТЬ ИМЕНИ. Другое имя программы не допускается.
· Автор оставляет за собой право на модификацию и изменения программы;
· Автор может ответить на вопросы по программе только в случае соответствия даты, контрольной суммы, размера и названия файла и при наличии свободного времени.
Успехов и здоровья!
Автор Шабронов Андрей Анатольевич тс +7-913-905-8839 shabronov@yandex.ru
Ред. 2026-04-10 - в работе, примечания по настройке:
· исправлен алгоритм коррекции. При смене временных констант, сигналы минут дополнительно не передаются;
· замена МК и корректировка новых констант проводить удобно по секундомеру сотового телефона. При включении новой МК разброс достигает 3-5 секунд за минуту. Коррекция сразу же после замены МК, позволяет установить отклонение до секунды (погрешность зависит от реакции оператора на появление сигнала 1ой минуты) и после за сутки еще провести коррекцию до 1-2 секунд в сутки;